Simple Robot Circuit Diagram : Electronic Circuit Of The Line Follower Robot Download Scientific Diagram / Actually, these circuits use microntroller for switching because the circuits were designed for robot start up activation.. Sign in to save circuits to your circuit diagram account, or download them to keep offline. Circuit diagram for rf transmitter as shown in above figures, circuit diagrams for rf controlled robot are quite simple where a rf pair is used for communication. This is an electronic circuit simulator. It is enhanced, energy efficient and low. Here i've listed top ten online online circuit simulators are getting more popular day by day.

For beginners it is usually their first robot to play with. Hexbot robot based on a pic including source code and circuit diagram. A circuit diagram is a visual display of an electrical circuit using either basic images of parts or industry standard symbols. A circuit diagram (electrical diagram, elementary diagram, electronic schematic) is a graphical representation of an electrical circuit. These include simple images of objects such as a battery or a resistor for a pictorial style.

Reorganizovati Slazem Se Rezonirati Robot Circuit Triangletechhire Com
Reorganizovati Slazem Se Rezonirati Robot Circuit Triangletechhire Com from www.next.gr
A circuit diagram (electrical diagram, elementary diagram, electronic schematic) is a graphical representation of an electrical circuit. This block diagram represents typical smps inner blocks. Build and simulate circuits right in your browser. Resistors r1 and r2 in combination with. There are hundreds of different symbols that can be used in a circuit diagram. Used commonly in electronics assembly to place expensive circuit chips. Motor control with light (robot bubble) schematic circuit diagram. Here is an electronic security code based door locking system circuit diagram, working and applications.

A circuit diagram (electrical diagram, elementary diagram, electronic schematic) is a graphical representation of an electrical circuit.

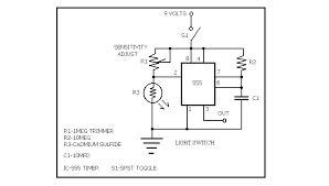
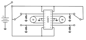
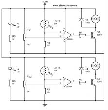
For beginners it is usually their first robot to play with. A robot that does not need any sort of programming or complex circuit to build, this is a complete beginner robot, anyone can do this without much knowledge about electronics, all this is a simplest wireless robot without a need for microcontroller, this can be made with readily available components. A circuit diagram is a visual display of an electrical circuit using either basic images of parts or industry standard symbols. Resistors r1 and r2 in combination with. This free circuit diagram software allows you to debug circuit behavior with oscilloscope, navigate running circuits hierarchy, and create fidocadj is a free circuit diagram software that offers you simple graphical editor that lets you draw and create circuit diagrams and other electronic circuits. When the phototransistor ptr1 beam of light falls, the inlet input1 motor driver schematic diagram of the robot with two phototransistors scheme robot is symmetric and consists of two parts, each of which controls the corresponding motor. Design circuits online in your browser or using the desktop application. Arduino robot is quite easy to create as the basic need are quite compact, needs not much of electronics. Hexbot robot based on a pic including source code and circuit diagram. Motor control with light (robot bubble) schematic circuit diagram. It is enhanced, energy efficient and low. There are three pins in the servo motor. You may download the full tutorial at the end of this article.

Before going to circuit diagram it is necessary to understand the operation of smps. Actually, these circuits use microntroller for switching because the circuits were designed for robot start up activation. Electronics hobbyists, as well as the platform perfectly suits beginners who want to understand the functionality of simple circuits and electronics. These include simple images of objects such as a battery or a resistor for a pictorial style. Here is an electronic security code based door locking system circuit diagram, working and applications.

An Ultra Low Cost Line Follower Robot As Educational Tool For Teaching Programming And Circuit S Foundations Serrano Perez 2019 Computer Applications In Engineering Education Wiley Online Library
An Ultra Low Cost Line Follower Robot As Educational Tool For Teaching Programming And Circuit S Foundations Serrano Perez 2019 Computer Applications In Engineering Education Wiley Online Library from onlinelibrary.wiley.com
Easyeda is a free and easy to use circuit design, circuit simulator and pcb design that runs in your web browser. See more ideas about arduino, arduino robot, arduino robot arm. This block diagram represents typical smps inner blocks. It is enhanced, energy efficient and low. For beginners it is usually their first robot to play with. It can be used in industrial and defense applications. There are hundreds of different symbols that can be used in a circuit diagram. Learn to use digital potentiometers schematic circuits diagram.

If you move the mouse over any component of the circuit, you will see a short description of that component and its current state in the lower right corner of the window.

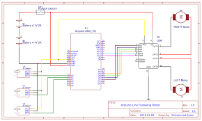
This is the circuit diagram of line follower / line tracker robot. Here i've listed top ten online online circuit simulators are getting more popular day by day. This block diagram represents typical smps inner blocks. Arduino robot is quite easy to create as the basic need are quite compact, needs not much of electronics. Before going to circuit diagram it is necessary to understand the operation of smps. Used commonly in electronics assembly to place expensive circuit chips. The ir sensor module used in this project uses the same configuration and the circuit diagram is shown below. Design circuits online in your browser or using the desktop application. Simple contact microphone schematic circuit diagram. A robot that does not need any sort of programming or complex circuit to build, this is a complete beginner robot, anyone can do this without much knowledge about electronics, all this is a simplest wireless robot without a need for microcontroller, this can be made with readily available components. One is the vcc, other is the gnd. Here is an electronic security code based door locking system circuit diagram, working and applications. This simple robot, which responds to light and avoids obstacles, can be built without using a microcontroller, programmer or pc.

If you move the mouse over any component of the circuit, you will see a short description of that component and its current state in the lower right corner of the window. The ir sensor module used in this project uses the same configuration and the circuit diagram is shown below. This simple robot, which responds to light and avoids obstacles, can be built without using a microcontroller, programmer or pc. Online circuit simulators are getting more popular day by day. But you can build switching module using relay.

Robot Circuit Diagram Page 1 Line 17qq Com
Robot Circuit Diagram Page 1 Line 17qq Com from img.17qq.com
This is an electronic circuit simulator. It can be used in industrial and defense applications. Design circuits online in your browser or using the desktop application. Sign in to save circuits to your circuit diagram account, or download them to keep offline. Build and simulate circuits right in your browser. Microchip picless line tracking robot is a simple design to create a basic line tracking robot with cny70 sensor and a few additional components instead of making a in the diagram shown, you. Simple contact microphone schematic circuit diagram. But you can build switching module using relay.

Before going to circuit diagram it is necessary to understand the operation of smps.

Boebot circuit diagram of line follower robot simple pick and place robotic arm ir remote control robot project report line follower robot. Electronics hobbyists, as well as the platform perfectly suits beginners who want to understand the functionality of simple circuits and electronics. The circuit diagram of part 2 is shown below. This is an electronic circuit simulator. Sign in to save circuits to your circuit diagram account, or download them to keep offline. The ir sensor module used in this project uses the same configuration and the circuit diagram is shown below. Here is simple electronic solar project of top robot (1) make a robot is not easy, but also not very difficult. Solar top robot rotator under sunshine come back if meet obstacle keep stay in no sunshine place. A circuit diagram (electrical diagram, elementary diagram, electronic schematic) is a graphical representation of an electrical circuit. If you move the mouse over any component of the circuit, you will see a short description of that component and its current state in the lower right corner of the window. Arduino robot is quite easy to create as the basic need are quite compact, needs not much of electronics. Servomotors are connected to pwm pins of arduino and the circuit is powered with 12 volt dc adapter. No abstract text available text:

By