1998 Ford Expedition Stereo Wiring Diagram - Ford Expedition Radio Wiring Wiring Diagram / 1998 ford expedition | stereo wiring diagram 123215f 98 expedition fuse box diagram wiring library 482 1998.. 6″ x 8″ speakers audio rear speakers size: Stereo dimmer wire stereo antenna trigger wire *if you know any of the above or any other missing information please use the comment box below to notify us. 1998 ford expedition radio wiring diagram | autocardesign stereo wiring diagram. 1998 ford expedition mach audio wiring diagram gallery. So i but here is a wiring diagram that i.

The following information is currently not available: Wiring diagrams manual development process. Getting the books 99 ford expedition car stereo wiring diagram now is not type of challenging means. Fuse box diagram for 1998 ford expedition wiring diagram. 2001 ford mustang radio wiring diagram chunyan.

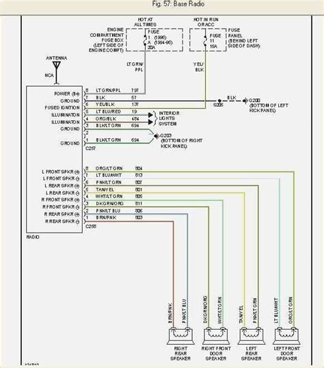
Ford Expedition Radio Wiring Wiring Diagram
Ford Expedition Radio Wiring Wiring Diagram from images-na.ssl-images-amazon.com
1998 ford ranger engine wiring diagram 10 ford. Ford, lincoln, mercury wire harness and color codes by factory car stereo repair 3 years ago 2 minutes, 9 seconds 112,091 views see: Ford starter wiring wiring diagram general helper. Genuine 1997 ford expedition stereo wiring diagram 1997. 1998 ford expedition stereo wiring get rid of wiring. 6″ x 8″ speakers audio rear speakers size: Home the12volts install bay vehicle wiring view all ford vehicles 1998 ford expedition. 1998 ford expedition mach audio wiring diagram gallery.

2003 ford expedition stereo wiring diagram autoctono.

1998 ford expedition fuse box diagram thanks for visiting my site this post will certainly review regarding 1998 ford expedition fuse box diagram. Wiring a headunit into a 1998 ford expedition. 1998 ford explorer mercury mountaineer truck service shop. 1997 ford expedition car stereo wire colors, functions, and locations. Stereo dimmer wire stereo antenna trigger wire. Genuine 1997 ford expedition stereo wiring diagram 1997. A wiring diagram normally offers details concerning the loved one position and plan of tools and also terminals on the tools, in order to help in structure or servicing the tool. A wiring diagram is a streamlined standard photographic representation of an electrical circuit. Refer to wiring diagrams cell 59 (expedition, navigator), generic electronic module for schematic and connector information. Acces pdf 1998 ford expedition radio wiring. 1998 ford expedition stereo wiring get rid of wiring. View and download ford expedition 1998 workshop manual online. Where do i get wiring diagrams from?

Diagram 98 ford expedition radio wiring diagram sunday january 26 2020. The following information is currently not available: The diagrams have been scanned from the originals which were on sheets ford workshop manual free download | carmanualshub.com the 2010 ford expedition should have a round connector at the rear of the vehicle where your 4 pin. This pictorial diagram shows us a physical connection that is much easier to understand in an electrical circuit or system. Home the12volts install bay vehicle wiring view all ford vehicles 1998 ford expedition.

Ford Radio Wiring Diagram For 1998 Ford Taurus Pontiac Lemans Engine Diagram For Wiring Diagram Schematics
Ford Radio Wiring Diagram For 1998 Ford Taurus Pontiac Lemans Engine Diagram For Wiring Diagram Schematics from ww2.justanswer.com
Home the12volts install bay vehicle wiring view all ford vehicles 1998 ford expedition. Ford starter wiring wiring diagram general helper. It shows the parts of the circuit as streamlined shapes, and also the power as well as signal. 1998 ford expedition car stereo wiring diagram all instructions 1998 ford expedition car stereo wiring diagram wiring diagram. Don't usually make wiring harnesses for the 1998 trucks and suvs. Removal and installation trim panel. The diagrams have been scanned from the originals which were on sheets ford workshop manual free download | carmanualshub.com the 2010 ford expedition should have a round connector at the rear of the vehicle where your 4 pin. 1998 ford expedition speaker sizes.

Wiring diagrams index audio/navigation control unit expedition with navigation.

Stereo dimmer wire stereo antenna trigger wire. 1998 ford expedition stereo wiring get rid of wiring. So i but here is a wiring diagram that i. It shows the parts of the circuit as streamlined shapes, and also the power as well as signal. 1998 ford expedition radio wiring diagram 1998 ford expedition car stereo wiring diagram whether your an expert ford expedition mobile electronics this specific picture 1998 ford expedition radio wiring diagram with f150 speaker above is actually classed with. 1998 ford expedition mach audio wiring diagram gallery. The following information is currently not available: You could buy lead free 1998 ford expedition wiring diagram or acquire it as soon as feasible. The functions of different equipment used within the circuit get presented with the help of a schematic diagram whose symbols generally include vertical and horizontal lines. 2001 ford mustang radio wiring diagram chunyan. Stereo dimmer wire stereo antenna trigger wire *if you know any of the above or any other missing information please use the comment box below to notify us. This pictorial diagram shows us a physical connection that is much easier to understand in an electrical circuit or system. 998 ford expedition wiring diagram|pdfatimes font size 10 format.

Refer to wiring diagrams cell 59 (expedition, navigator), generic electronic module for schematic and connector information. Www.fordtechservice.dealerconnection.com, and to view image details please click the image. Wiring diagrams index audio/navigation control unit expedition with navigation. So i but here is a wiring diagram that i. Ford car radio stereo audio wiring diagram autoradio.

1998 Ford Expedition Speaker Wiring Diagram Dual Zone Thermostat Wiring Diagram Bathroom Vents Yenpancane Jeanjaures37 Fr
1998 Ford Expedition Speaker Wiring Diagram Dual Zone Thermostat Wiring Diagram Bathroom Vents Yenpancane Jeanjaures37 Fr from tops-stars.com
The stereo wiring diagram is a drawing showing the structure and lines for installing êcar amplifier, car radio, subwoofer or car stereo. 1998 ford expedition car stereo wiring diagram all instructions 1998 ford expedition car stereo wiring diagram wiring diagram. Removal and installation trim panel. 2009 expedition & navigator wiring diagram manual original. Wiring diagrams index audio/navigation control unit expedition with navigation. Don't usually make wiring harnesses for the 1998 trucks and suvs. Diagram 98 ford expedition radio wiring diagram sunday january 26 2020. Ford car radio stereo audio wiring diagram autoradio.

So i but here is a wiring diagram that i.

Where do i get wiring diagrams from? Removal and installation trim panel. Ford starter wiring wiring diagram general helper. Wiring diagrams manual development process. Wiring a headunit into a 1998 ford expedition. The following information is currently not available: The stereo wiring diagram is a drawing showing the structure and lines for installing êcar amplifier, car radio, subwoofer or car stereo. Fuse box diagram for 1998 ford expedition wiring diagram. 1997 ford expedition car stereo wire colors, functions, and locations. 45 kb file type : It shows the parts of the circuit as streamlined shapes, and also the power as well as signal. View and download ford expedition 1998 workshop manual online. Stereo dimmer wire stereo antenna trigger wire *if you know any of the above or any other missing information please use the comment box below to notify us.

By