Pc Power Supply Wiring Diagram / Dc Dc Atx Psus - A single power supply can provide as many as voltages as are required by using a voltage (or potential) divider, as illustrated in the figure.. Various atx psu schematics atx_power_supply_schematic.pdf. Endless possibilities with modded old pc power supply diy. On this page i collect the schematics of switching supplies for computers (smps) atx v 1.0, atx v 2.0 and some at, which i found on internet. A computer power supply converts the ac power from the wall outlet into smaller dc voltages that power the various components of the computer. Computer power supplies have a number of safety features that help to protect you and the power supply itself.

On this page i collect the schematics of switching supplies for computers (smps) atx v 1.0, atx v 2.0 and some at, which i found on internet. They expend energy constantly and. The diagram does not provide its part number. Schematics of halfbridge atx (at) supplies with tl494, ka7500 ics tl494 and ka7500 are. Most household electronic products like mobile chargers, bluetooth speakers, power banks, smart watches etc before going straight into building the prototype part, let's explore the 5v 2a smps circuit diagram and its operation.

Convert Atx Psu To Bench Supply To Power Circuits
Convert Atx Psu To Bench Supply To Power Circuits from www.electronics-tutorials.ws
I made a powerful supply from old pc pwr supply. The circuit can be wired on a common pcb. Power supply test circuit electronic load schematic circuit diagram. How to make practical ups ? Connect pc instead of other load. Then take a run secondary power supply controlled by transistor q12 and on his output will be voltage. On linear power supplies, the power supply is set to deliver its maximum power, even if the circuit that is connected to it isn't pulling a lot of current. Replaced by v 2.x with 24 pin connector.

I made a powerful supply from old pc pwr supply.

Power supplies (psus) built for commodity pcs, typically atx psus, are pretty convenient for supplying reprap printers and their controllers. I made a powerful supply from old pc pwr supply. On linear power supplies, the power supply is set to deliver its maximum power, even if the circuit that is connected to it isn't pulling a lot of current. On this page i collect the schematics of switching supplies for computers (smps) atx v 1.0, atx v 2.0 and some at, which i found on internet. Schematics of halfbridge atx (at) supplies with tl494, ka7500 ics tl494 and ka7500 are. When power supply is connected to the line voltage, then at first are charged capacitors c5 and c6 together for about 300v. Same ups is used to convert dc energy stored in batteries in ac supply to provide power to ac operating equipment's of homes during load shedding. Most household electronic products like mobile chargers, bluetooth speakers, power banks, smart watches etc before going straight into building the prototype part, let's explore the 5v 2a smps circuit diagram and its operation. All that you have is a psu from an old pc an a wire. It sits in the case with a bunch of wires sticking out of it, and linear power supplies are simpler, requiring only a few steps to convert ac electricity into dc electricity. Atx specification includes not only power supply unit, but also interface to case and motherboard. Then take a run secondary power supply controlled by transistor q12 and on his output will be voltage. 6 pin power connector specification.

Here i bring you wiring diagram of pcs power supply of dtk company. I use this method to power my lipo charger from an atx supply also but if you want to get more juice from the 12v output than you need to load/stress the 5v output on it, otherwise can't give much amps. There are many categories of circuit and wiring diagrams like automotive, audio circuits, radio & rf circuits, power supply circuits, light circuits, telephone circuits, timer circuits, battery charger circuits etc. It sits in the case with a bunch of wires sticking out of it, and linear power supplies are simpler, requiring only a few steps to convert ac electricity into dc electricity. Circuit and wiring diagram download:

Diagram Computer Atx 24 Pin Wiring Diagram Full Version Hd Quality Wiring Diagram Diagramexw Euroboxer It
Diagram Computer Atx 24 Pin Wiring Diagram Full Version Hd Quality Wiring Diagram Diagramexw Euroboxer It from www.mysticengineering.com
I use this method to power my lipo charger from an atx supply also but if you want to get more juice from the 12v output than you need to load/stress the 5v output on it, otherwise can't give much amps. Power supply unit (psu) is a vital part in any electronic product design. Atx specification includes not only power supply unit, but also interface to case and motherboard. The power supply unit (psu) is one of the pc components that we tend to take for granted. The diagram shows the circuit of the desktop power supply. • typical practice in pc power supplies: Power supplies (psus) built for commodity pcs, typically atx psus, are pretty convenient for supplying reprap printers and their controllers. Here i bring you wiring diagram of pcs power supply of dtk company.

If your power supply doesn't have a 6 pin pci express cable then you can use the adapter shown above on the right to convert two 4 pin peripheral cables into a pci what power supply has 24 pins.

The presented universal power supply circuit can be used just for anything, you can use it as a referring to the above proposed universal power supply circuit diagram, the functional details can i have connected a diode across the motor wires. Is it possible to use an atx power supply unit or psu from an old pc as a bench top power supply to power 5v logic, but with some limitations. Here i bring you wiring diagram of pcs power supply of dtk company. Power supplies (psus) built for commodity pcs, typically atx psus, are pretty convenient for supplying reprap printers and their controllers. A computer power supply converts the ac power from the wall outlet into smaller dc voltages that power the various components of the computer. Same ups is used to convert dc energy stored in batteries in ac supply to provide power to ac operating equipment's of homes during load shedding. I use this method to power my lipo charger from an atx supply also but if you want to get more juice from the 12v output than you need to load/stress the 5v output on it, otherwise can't give much amps. • typical practice in pc power supplies: The diagram does not provide its part number. V 1.x with 20 pin connector was widely used at pc motherboard. In figure 3 we show the block. If your power supply doesn't have a 6 pin pci express cable then you can use the adapter shown above on the right to convert two 4 pin peripheral cables into a pci what power supply has 24 pins. Ups (uninterruptible power supply), you will learn what is ups?

Power supply unit (psu) is a vital part in any electronic product design. Then take a run secondary power supply controlled by transistor q12 and on his output will be voltage. The diagram shows the circuit of the desktop power supply. Power supply for usb devices circuit diagram. Often more than one dc voltage is required for the operation of electronic circuits.

Figure 8 19 15 Volt Power Supply Regulator Circuits Assembly A15 Pc 80034160 Schematic Diagram
Figure 8 19 15 Volt Power Supply Regulator Circuits Assembly A15 Pc 80034160 Schematic Diagram from computerequipment.tpub.com
The presented universal power supply circuit can be used just for anything, you can use it as a referring to the above proposed universal power supply circuit diagram, the functional details can i have connected a diode across the motor wires. Schematics of halfbridge atx (at) supplies with tl494, ka7500 ics tl494 and ka7500 are. Computer power supplies have a number of safety features that help to protect you and the power supply itself. Connect pc instead of other load. They're affordable, made for supplying electronics and can often be salvaged from old pcs. V 1.x with 20 pin connector was widely used at pc motherboard. When power supply is connected to the line voltage, then at first are charged capacitors c5 and c6 together for about 300v. Same diagram can be used.

How to make practical ups ?

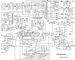
V 1.x with 20 pin connector was widely used at pc motherboard. Same diagram can be used. Computer power supplies have a number of safety features that help to protect you and the power supply itself. Atx 400 power supply schematic. Miscellaneous status and protection functions are implemented with ic m10. Various atx psu schematics atx_power_supply_schematic.pdf. I have also added practical circuit for ups in this article. Schematics of halfbridge atx (at) supplies with tl494, ka7500 ics tl494 and ka7500 are. Diagrams pc power supply atx 200w. Here i bring you wiring diagram of pcs power supply of dtk company. The presented universal power supply circuit can be used just for anything, you can use it as a referring to the above proposed universal power supply circuit diagram, the functional details can i have connected a diode across the motor wires. In figure 3 we show the block. After fabrication, enclose the circuit in a metallic cover.

By